Sprężyna gazowa (5110093 FA Krosno) siła 125N długość 275mm skok 120mm
Sprężyna gazowa pchająca do zastosowań uniwersalnych polskiego producenta FA Krosno o numerze katalogowym 5110093. Długość całkowita produktu wynosi 275mm, długość skoku 120mm a siła 125N. Sprężyny pchające są stosowane jako pomoc przy podnoszeniu oraz opuszczaniu ruchomych klap, schowków i rewizji. Prawidłowo zaprojektowane sprężyny zapewniają właściwą prędkość wysuwu tłoczyska i odpowiednie tłumienie w końcowym biegu skoku. Sprawiają, że ruch różnego rodzaju pokryw staje się łatwy, komfortowy i bezpieczny. Występują zarówno z tłumieniem hydraulicznym, jak i z dynamicznym - obydwa typy mają swoje zastosowania. Wyroby krośnieńskiej fabryki charakteryzują się wysoką jakością wykonania, o czym świadczy m.in. ich wykorzystanie w pierwszym montażu przez marki motoryzacyjne o globalnym zasięgu. Skontaktuj się z naszym zespołem w celu uzyskania informacji o sprężynach gazowych dopasowanych do konkretnego zastosowania. Końcówki, mocowania i inne akcesoria znajdziesz poniżej opisu oraz na stronie z akcesoriami.
- Zastosowanie
- Uniwersalne
- Nr katalogowy
- 5110093
- Średnica tłoczyska [mm]
- 6
- Średnica cylindra [mm]
- 15
- Długość skoku [mm]
- 120
- Długość całkowita (mierzona po rozłożeniu: w osiach mocowań, a w przypadku braku mocowań - bez gwintów) [mm]
- 275
- Siła F1 [N]
- 125
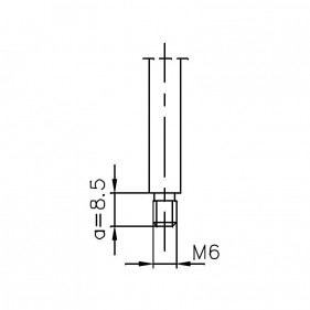
- Gwint od strony tłoczyska
- M6
- Gwint od strony cylindra
- M6
- Końcówka od strony tłoczyska
- Gwint M6
- Końcówka od strony cylindra
- Gwint M6
- Producent
- FA Krosno
- Typ
- Pchające
- Rodzaj tłumienia
- Hydrauliczne
